Kirjeldus
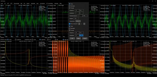
DSAP Studio on digitaalsignaali analüüsimise tööriist. Võimaldab kindlas formaadis diskreetsignaal või selle spektri sisselugemist, selle signaali Fourier või spektri pöörd-Fourier analüüsi ja digitaalset filtreerimist. Short Time FFT koos spektrogrammiga on lisatud. Toetatud on otse ostsilloskoobist vahetult üle võrgu või salvestatud signaalide või spektrite import: R&S RTB, RTM, RTA seeriad. Muude signaali- või spektri andmefailde sisselugemiseks lihtsalt näidake esimese andmerea asukoht ja veeruandmete (amplituud ja aeg või sagedus) asukohad, ühikud ja kordajad. Kasutajal on võimalik ette anda digitaalfiltri sagedusnäitajad ja vastavalt analüüsida filtri mõju sisendsignaalile. Kasutaja saab genereerida mitmest erineva kuju, sageduse ja amplituudiga komponendist signaali ja seda soovitud filtriga töödelda. On võimalik luua lisaks madalpääs-, kõrgpääs-, rba- ja tõkkefiltrile ka suvafiltrit, mille spektrit saab seadistada mitmete sagedus-sumbuvuspunktidega. Saab seada signaalile või spektrile nivoo ja analüüsida nivoo järgi filtreeritud üleminekudiskreete. Sellest on kasu juhtudel kus signaal või spekter on pikem kui ekraanil on punkte ja ekraanile esitamisel võivad olla huvipakkuvad diskreedid kas välja jäänud või ei paista keskmistatud tasemest üle. On saadaval histogramm (kuva/peida kontekstimenüü abil). Saab kasutada aknafunktsioone. Prooviversioonis on ainult Hamming, täisversioonis on ristkülikuline, kolmnurkne, Hamming, Blackman, Blackman-Harris, Hann, tasane tipp, Welch, Gaussi, Tukey, Kaiser-Bessel aknafunktsioonid. Signaali lõikamise ja täitmise valikutes on kahe täisastmeni (tagant, eest, sümmeetriliselt) või vaba määrang. Kui spektri esitus on logaritmiline, siis on ka sagedusskaala logaritmiline (dekaadid või oktaavid). Spektri analüüsimisel on võimalik valida võrdluseks EMC andmete graafikut. Varasemad muudatused: 1. Paralleelarvutus (mitmelõimeline arvutus) - FFT, pöördFFT, konvolutsioon ja FFT konvolutsioon, 2. Kasutaja valikul jada- või paralleelarvutuse kasutamine, 3. Graafiku kohtmenüüsse on lisatud zoom vasakult/keskelt (suumimine on muudetud), 4. Graafiku kohtmenüüsse on lisatud zoom 1:2 (lisaks varasemale zoom 1:1 / kogupikkuses) (suumimine on muudetud), 5. Signaali ja filtri loomise vormidele on lisatud reset nupp, 6. Kasutaja seadistuste salvestamine, 7. Vaikeseadete taastamine, 8. Lisatud Näpunäited, 9. Valik, kas salvestada kõik andmed või ostsilloskoobi jaoks, 10. Salvestamisel lisatud csv valik, 11. Ainult filtri tegurite salvestamine (komaga eraldatult, järgmine uuelt realt, kopeeritav programmi teksti, 12. On võimalik käitada mitu DSAP Studio rakenduse eksemplari, 13. Sümmeetriline polsterdamine Sisse signaalile, 14. Sümmeetriline polsterdamine Filtri vastuse signaalile, 15. Kärbi Sisse signaali, 16. Kärbi Filtri vastuse signaali, 17. Kärbi sümmeetriliselt Sisse signaali, 18. Kärbi sümmeetriliselt Filtri vastuse signaali, 19. Filtri vastsue spektri genereerimine on tõstetud Genereeri menüüsse, 20. Genereeri Sisse signaal (mitmekomponendiline), 21. Seaded: Sisse, Filtrivastuse ja Välja akende sisse/valjalülitamine, 22. Seaded: tüvenumbrite arvu seadmine, 23. Seaded: signaalikomponentide maksimaalse arvu seadmine, 24. Lisatud dBm valik vertikaalskaalale, 25. Kaotatud faili suuruste piirangud, 26. Suured täisarvulised väärtused on loetavamad, 27. Pikkade signaalide ja spektrite failide sisselugemise seisundiinfo, 28. Pikkade signaalide ja spektrite salvestamise seisundiinfo, 29. Loe väljundsignaal, 30. Loe väljundspekter, 31. Väljundsignaali FFT, 32. Väljundsignaali iFFT, 33. Filtri vastussignaali polsterdamine, 34. Venita sisendsignaal, 35. Salvestage filtri vastuse signaal, 36. Salvestage filtri reaktsioonispekter, 37. Salvestage väljundsignaal, 38. Salvestage väljundspekter, 39. Prooviversioon, 40. Uuenduste kontroll, 41. Float täpsusega arvutused ja salvestamine (täisversioonis), vaikimisi on topelttäpsus (double), 42. Graafikute esitusjäjekorra muutmine, 43. Tüvenumbrite arvu muutmine 1..5 prooviversioonis, 1..10 täisversioonis, 44. Graafikuid saab suumida hiirerattaga või kontekstimenüü kaudu, 45. Saab määrata suvafiltrit: vabalt mitmes punktis etteantava sageduskõveraga filtrit, 46. Rakenduse püstise suuruse muutmisel muutub graafikute akende kõrgus, 47. Saab lugeda sisse etteantava seadega signaali- ja spektriandmeid näidates ära esimese rea ja veeruandmete asukohad, ühikud ja kordajad, 48. Pingeühiku (V) kõrval voolutugevuse (A) ühikuga arvestamine ja lugemine andmefailist, 49. Signaali või spektri graafikul nivoo määramine ja üleminekudiskreetide esitamine, 50. Signaali ja spektri graafikutele histogrammid, 51. Aknafunktsioonid. Prooviversioonis ainult Hamming, täisversioonis ristkülikuline, kolmnurkne, Hamming, Blackman, Hann, tasane tipp, Welch aknafunktsioonid, 52. Täiendatud signaali lõikamise ja täitmise valikuid, 53. Short-time Fourier transform (STFT või STFFT), 54. Spektri sagedusskaala logaritmilisel kujul (dekaadid või oktaavid). 55. Spektrogramm (täisversioonis), 56. Spektri imaginaarosa esitus on seadistatav (täis-, poolspekter). 57. Andmete vahetu laadimine toetatud seadmetest (ostsilloskoopidest). 58. EMC võrdlusandmed. 59. Parandatud esitus väiksematel ekraanidel. 60. Graafikupunkti kohta näidatakse ka maksimaalne ja minimaalne väärtus (kui on). 61. Lisatud spektriskaalad dBV ja dBµV. 62. Lisatud on valikuline zoom nii signaalile kui ka spektrile. 63. Saadaval on online abiinfo. 64. Lisatud akna-funktsioonid: Blackman-Harris, Gaussi, Tukey, Kaiser-Bessel.
Teistele meeldivad
Arvustused
artiklid
- 3
Lenovo Vantage
- 4
Files App
- 5
iCloud
- 6
Mailbird
- 3
Lenovo Vantage
- 4
Files App
- 5
iCloud
- 6
Mailbird
